Введіть кілька слів, щоб знайти вміст eg:
fuse,arrestor,00110115 technical...
Останні пошуки
Технічна підтримка
This email address is being protected from spambots. You need JavaScript enabled to view it.

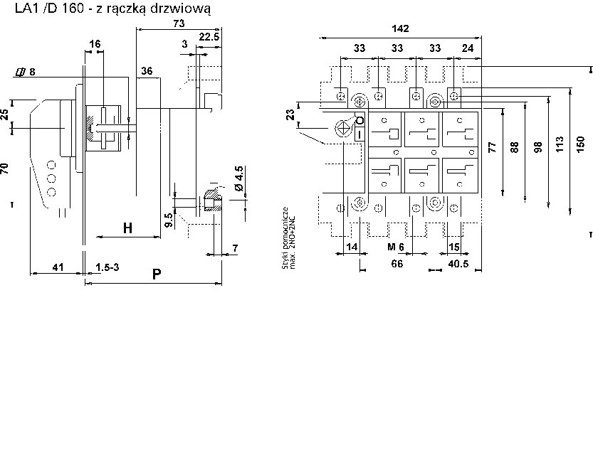
Вимикач навантаження LA1/D 160A 3p 004663309

Особливості

Артикул:
004663309
Назва:
* LA1/D 160A 3p
Категорія:
Роз'єднувач навантаження
Призначення:
Вимикачі навантаження з виносною рукояткою
Номінальний струм (A):
160A
Тип:
Рукоятка на дверцята
Кількість полюсів:
3
Група каталогу:
LA

Документація

Продукт

Вага продукту
0.92  kg
Тариф митниці
85365080  

Транспортна тара

кількість
1  
EAN
3838895338970  
Вага
0.92  kg
Транспортувальне пакування
509  
Класифікація
EC000216
Категорія
Switch disconnector
Використовується в якості головного вимикача
Так
Використовується як допоміжний / сервісний вимикач
Так
Номінальний струм з довгим навантаженням Iu
160A
Номінальна потужність в робочому режимі AC-23, 400 В
65kW
Кількість полюсів
3
Конструкція приладу
Вбудований пристрій стаціонарного виконання
Підходить для підлогового монтажу
Так
Тип елемента керування
Поворотний привід
Класифікація ETIM - версія: 7.0

Креслення і Характеристики

Технічне відео

Ваш кошик порожній.