Введіть кілька слів, щоб знайти вміст eg:
fuse,arrestor,00110115 technical...
Останні пошуки
Технічна підтримка
This email address is being protected from spambots. You need JavaScript enabled to view it.

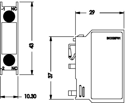
Додатковий контакт BCXMFE 10 (1NO) 004641510

Особливості

Артикул:
004641510
Назва:
BCXMFE 10 (1NO)
Категорія:
Блок контактів
Аксесуари:
Блок контактів фронтальний
Група каталогу:
Аксесуари CEM/CEAM
Призначення:
Аксесуари

Документація

Продукт

Вага продукту
3  g
Тариф митниці
85365080  
logis_net_width
11  mm
logis_net_height
43  mm
logis_net_depth
33  mm

Основне пакування

кількість
1  
EAN
7890355110409  
Вага
0.015  kg

Транспортна тара

кількість
25  
EAN
17890355110406  
Вага
0.375  kg
Транспортувальне пакування
4000  
Класифікація
EC000041
Категорія
Блок допоміжних контактів
Кількість нормально розімкнутих (НР) контактів
1
Номінальний струм Ie при AC-15, 230 В
6A
Тип електричного з`єднання/Тип підключення
Гвинтове з`єднання
Спосіб монтажу
Фронтальна установка
Класифікація ETIM - версія: 7.0

Креслення і Характеристики

Програмне забезпечення

Програмне забезпечення надається як є, без будь-яких гарантій. Автор не зобов'язаний надавати підтримку, обслуговування, виправлення або оновлення безкоштовних програм або драйверів.

Аксесуари 94

>
>
0
Ваш кошик порожній.