Введіть кілька слів, щоб знайти вміст eg:
fuse,arrestor,00110115 technical...
Останні пошуки
Технічна підтримка
This email address is being protected from spambots. You need JavaScript enabled to view it.

USE OF RCBO AS ADVANCED PROTECTION IN LOW VOLTAGE ELECTRICAL INSTALLATION

 

Abstract: 

RCBO is an abbreviation for Residual Current circuit Breaker with integral Overcurrent protection. Basically is a combination of two products, namely a MCB-Miniature Circuit Breaker and RCCB- residual Current Circuit Breaker. In this article basic information about the RCBO is explained, as well as an application and use of RCBO’s in modern low voltage electrical installations. This article has no intention to make a detailed explanation of content of IEC product standards, but to provide more practical information how and where to use RCBO as an advanced protection in modern low voltage electrical installations.

 

1. Introduction

In general, in low voltage electrical installation, two basic protections must be provided. Firstly, protection of cables and other conductive parts against overheating, followed by the overcurrent, and secondly, the protection of people against electrical shock in case of touch of live parts, where the live parts are meant as parts under voltage.

 

Msc.Mitja KOPRIVŠEK

Bsc.el.eng.

 

2. Use of MCB’s

Since many years, the protection of cables against overheating and protection of people against electrical shock in case of indirect touch of live parts, is provided with MCB’s. Fig.1 shows two typical representatives of MCB’s, namely, one pole MCB with rated current from 6A up to 63A, and one pole plus neutral also in one module width of 18mm. On the same figure Fig.1 we can also see the wiring diagram. Important technical information of MCB is time-current characteristics according to international standard IEC 60898. A graphical expression of such characteristics, called also B, C and D characteristics are shown below on Fig.2

 

 

 In general, time-current characteristic covers all areas of overcurrent: 

2.1. Overload,

- which protects the conductors and cables according to their current-carrying capacity,

- It is important to know that all three, B, C and D characteristics has the same behaviour in overload area. This behaviour is in line with current-carrying capacity of the conductor, as described in standard IEC 60364-5-52. Conclusion: MCB’s according to IEC 60898 are very much suitable for conductor overload protection.

- Practical recommendations:

   o For protection of 1-phase cable (two loaded wires), cross-section of the conductors 1.5mm2 and 2.5mm2, we can use following MCB’s as overload protection devices:

       - For 1.5mm2 in most cases we can use MCB with rated current 10A or 13A, depends on insulation material and the type of the cable or conductor 

       - For 2.5mm2 in most cases we can use MCB with rated current 16A or 20A, again depends on insulation material and the type of the cable or conductor.

 

 2.2. Short circuit:

- Short circuit behaviour of MCB is used for protection function called “Automatic disconnection in case of fault”, shortly also called “fault protection”.

- All technical conditions for successful and effective fault protection is prescribed in a standard IEC 60364-4-41, important data is an impedance of the fault loop,

- MCB with B characteristics provides immediate disconnection if the fault current gets the value of 3times to 5 times of MCB rated current, and MCB C provides the disconnection in range of 5times to 10 times.

- Recommendations:

   o for installation branches with non-inductive loads (lighting, heaters, etc.) , B characteristics is acceptable,

   o For installation branches with loads with high in-rush currents, (electric motors, transformers, power tools, hoovers, etc.,) we strongly recommend C characteristics, in some cases even D characteristic.

   o Use of MCB with minimum 6kA short-circuits capacity and current limiting class 3.

 - Explanation:

   o MCB with C characteristic breaks the current instantaneously in case of actual current in value between 5times up to 10 times of rated current. In practice, break current value is set up in the middle of the range, around 7 times of rated current. In case of in-rush current of 8times of rated current and more, the MCB will trip and this will be the appearance of unintentional tripping or so called nuisance tripping.

   o In case of use of B characteristic, such nuisance tripping will occur more often and normal use of electric energy will be disturbed,

   o By using the MCB C characteristic, such nuisance tripping will be decreased to zero. 

 

3. Use of RCCB’s in fault protection

 

Residual Current Circuit Breaker RCCB’s technical principle is based on residual current transformer which is capable to identify very small value of fault current which flows from the location of fault through the fault loop and PE conductor. “Fault protection” is often called also as “Protection against indirect touch of live parts”.

 

The Fig.3 below shows the basic principle how it works: - if there is no fault, the incoming and outgoing current are the same and there is no secondary induced voltage and therefore no trigger current to open the RCCB, - if there is a fault in the appliance, then very small difference between incoming and outgoing current can induce secondary voltage and thus provoke the trigger process of RCCB.

The requirements for RCCB’s are given in standard IEC 61008 and there is wide range of products explained and prescribed. The main criteria of classification are:

- Nr of poles: 4p, 2p

- Rated current: from 16A up to 63A, and up to 125A - Type of residual current:

   o sinus 50Hz: AC type,

   o sinus 50Hz and DC pulsating: A type

- Rated residual current: 10mA, 30mA, 100mA, 300mA, 500mA

- Breaking times: instantaneous, time delayed also called selective.

RCCB’s are widely used as fault protection in TT, TN-S, TN-C-S and IT systems. RCCB’s must not be used in TN-C systems, where the N-neutral and PE-protective earth conductor are common in only one PEN conductor.

 

3.1. RCCB:

On the Fig.4 below there is a practical example of an RCCB 2 pole, Atype 30mA, most used in fault protection in one phase residential electrical installation. The rated current is usually 16A, 25A, 40A, 63A, and even 80A. Fig4 is also equipped with wiring diagram. It is clearly seen that RCCB provides only fault protection and no over-current protection.

 

4. Additional protection in case of direct touch of live parts:

 

Fig.5 below shows the situation when RCCB with 30mA residual current is used in TN-C-S system.

In this case we do not speak about the fault in the installation or in the kitchen appliance, but there is a possibility of un-intentional direct touch of live conductor. It is important to know that from the experiments, standards and literature in the past, there is a lot of knowledge regarding the influence of electric current on human body. Generally, we can say that the current flowing through the body which is equal or less than 30mA will cause no harmful consequences on human body. Nevertheless, for children and older people there is a strong recommendation for the electric current through the body should not exceed 10mA. That’s why there is a strong recommendation to use RCCB with 10mA rated residual current in hospitals, kindergarten and other living areas with sensitive persons.

 

5. RCBO as combination of MCB and RCCB

 

RCBO is an abbreviation for “Residual Current Breaker with integral Over-current protection”. Basically is a technical combination of two products, namely MCB and RCCB. That means, one product can provide all protection functions:

- over-current protection, meaning overload and short-circuit, the same as MCB

- fault protection with residual current behaviour, the same as RCCB

- Additional protection in case of direct touch of live parts, the same as RCCB with 30mA rated residual current.

There are some construction solutions on the market, how to make the combination of MCB and RCCB to get RCBO, but the best solution for an RCBO is a compact, one-module RCBO, which is presented on the Fig.6.

 

Such RCBO can provide excellent technical behaviour with following data:

- rated current: 6, 10, 13, 16, 20, 25A

- time-current characteristics: B, C

- rated short-circuit capacity: 6kA

- current limiting class: 3

- rated residual current: 10mA, 30mA

- type of residual sensitivity A

- wiring diagram switched neutral conductor, N-pole on the right,

- dimensions, width 18mm, same size as 1-pole MCB

- mode of operation: voltage dependent,

- minimum operating voltage 90V

- standard IEC 61009

 

5.1. How to use such RCBO?

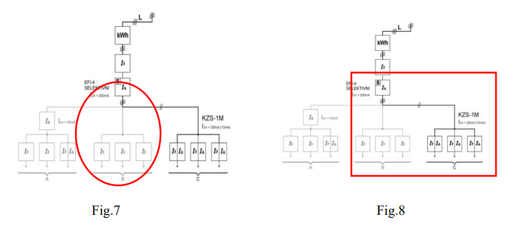
This RCBO is the best solution for additional protection in new installation, as well as in existing ones. On figures below you can find some examples of electrical installation. First example (Fig.7) shows the standard one phase residential installation where only one RCCB is used for fault protection for the whole installation. The problem in such installation is that in case of fault the complete house will be shut down. The solution for such problem is shown on the Fig.8, where on the top of installation there is RCCB with time delay, means sensitivity, and down stream in specific areas there is a RCBO with 30mA or 10mA for additional protection.

 

Following example below on Fig 9 shows even better situation where an existing small distribution box is altered and instead of three MCB’s, three RCBO’s are mounted in the same box (Fig.10).

 

What is the benefit of such reconstruction?:

- excellent additional protection in case of direct touch of live parts,

- use of the same size of the distribution box,

- no shut down of a complete apartment in case of the fault,

- low cost for high level of protection,

 

6. SUMMARY of RECOMMENDATIONS

 

At the end of this article, we offer some recommendations how and which type of RCBO should be used in order to provide excellent protection for perfect cost-benefit ratio:

- In case of socket outlets: use C characteristics of RCBO,

- Use 30mA RCBO for socket outlets in all living rooms in your house,

- Use 10mA RCBO in rooms and areas with higher degree of protection (hospitals)

- It is recommended not to use more than 4 socket outlets on one RCBO,

- For 2.5mm2 conductor you can use either C16A or in some cases C20A RCBO,

- Upstream always use time delay, that is, selective RCCB,

- Enjoy your life well protected by RCBO’s

 

 

 

 

 

Ваш кошик порожній.
/images/video/NY2026/Greetings_uk-UA.pnguk-UA